Lowpass Filters That Don’t
I’m glad that some of my readers of a past posting of this were able to spot the ‘problem’ with the lowpass filter we ended up with at the end of “Gee, I see!”. Was it mean of me to get you all thinking about some simple engineering issues in this way? Sorry if you think it was. But the answer is pretty basic, and you’d feel embarrassed if you flunked the question in a job interview.
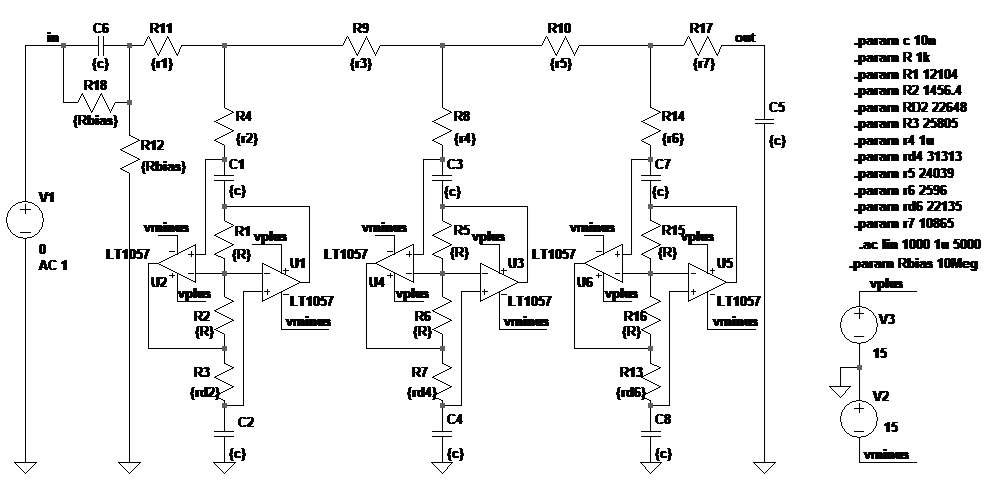
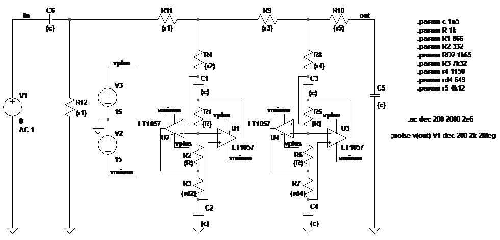
To put you out of your misery: Bias Current. Ring a bell? Look again at figure 1 below. The op-amps we used take a small amount of bias – or, more properly said, leakage, in the case of a FET-input device – current at their input terminals. The trouble is, there’s no DC return path to ground (or to either supply) for the current at the inputs of U2, U4 and U6 that connect to the resistor network that stretches along the top of the filter. Signal arrives here only through capacitors:
Figure 1: The filter from “Gee, I see!”.
Consequently U2, U4 and U6 aren’t able to establish proper DC operating conditions with respect to ground or the supplies. Whatever type of amplifier is used, the non-inverting inputs will drift to close to one of the supply rails. Feedback will take the other amplifier in each GIC with it, so all the circuit voltages will end up near the supply rails. Typically, both the input and the output stage of the op-amps will be out of their linear region and the amplifiers won’t work properly. AC simulation in SPICE may not (in act almost certainly will not) show this effect fully. Even if the model delivers realistic leakage behaviour at the inputs, the effective signal level in such a simulation is zero, and this won’t provoke any non-linear effects in the amplifiers.
This problem makes a great practical test if you’re interviewing for a lab tech or proper sleeves-up engineering role. Give this circuit and a ‘scope to the candidate and see if they get confused. The circuit seems to be working whenever you probe along that resistor chain, but gradually stops working as a decent filter if the output is only observed with, say, an output buffer op-amp. This is because the DC-coupled scope probe provides a perfectly good path for the small input currents of typical op-amps, so whenever you touch the probe to any point on the resistor network, the circuit immediately works properly. One moral is of course that whenever you’re looking for a fault, make sure you keep monitoring the system output to ensure that the fault doesn’t go away when you touch your probe to the circuit! But I digress...
We can apply ‘running repairs’ to the filter by providing a resistive bias path to bleed the amplifier bias current away. A high value resistor across CL (or from any of the nodes on that chain of resistors from input to output) will provide a bias current path to ground. The input impedance of an oscilloscope is adequate for this, which is why the filter appears to work when you probe it! But you should be able to see at once that this network is no longer a true lowpass filter; capacitor CS interacts with this added resistor to AC-couple the signal. So, for a true lowpass filter, we need an additional resistive path that allows a DC input signal to propagate through to the output terminal.
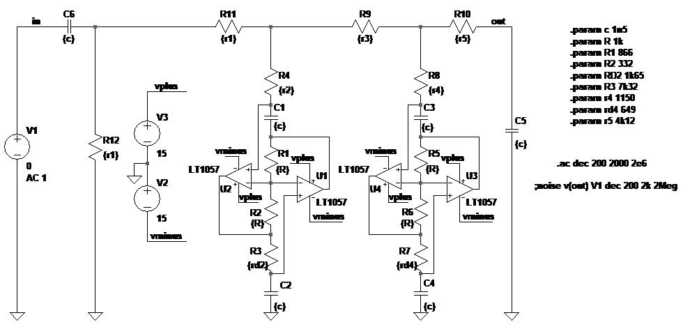
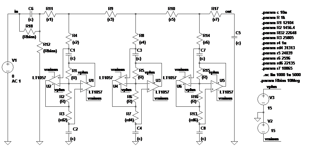
You often see one resistor across CS and another across CL. However, the two resistors must differ in value if the DC gain is to end up the same as the AC gain (which is just 0.5, if CS=CL). This is just a bit inconvenient since these added resistors may well be quite high in value, and precision high value resistors are a bit of a pain. In practice, the configuration of figure 2 works reasonably well. The bias network is in the form of a DC attenuator with two equal-value resistors, placed at the input of the circuit.
Figure 2: Our filter circuit with biasing resistors added.
What value should these resistors be? We can’t just add any old resistors in and hope that there’s no impact on the overall frequency response. The rule of thumb I’ve usually used for the added resistors is 50*(the sum of the values in resistor chain). Any lower than about 12*sum and you start seeing some additional ‘lumpiness’ in the response ripple (both in the amplitude response and the phase response).
Figure 3: Passband response changing with bias resistor value.
Figure 3 shows what happens to the passband response as we sweep the bias resistor value from 10Meg down to 100k. The traces for 300k and 100k show significantly degraded ripple but all the others are pretty close. The stopband (not shown) is hardly affected by the addition of the resistors.
“But”, I hear someone say, “what if it’s OK to have AC coupling at the input because we don’t want the DC?”. Well, yes, you can get a ‘free’ low frequency single-pole highpass filter from the interaction between CS and the grounded bias resistor. Sometimes in a bandpass filter you do need most of the attenuation in the upper stopband and are a lot less fussy about the lower stopband. The type of bandpass filter in which the lower stopband just has a single pole is usually known as a pseudo-lowpass and can conveniently be built on a lowpass D-element circuit board. Can we do that here? Well, if you try to push the frequency of that pole up too far by lowering the grounded bias resistor, you get quite a soggy response, shown in figure 4:
Figure 4: Lowering Rbias too far does not a great bandpass filter make.
To achieve figure 4 I just left out the resistor across CS, and the lower sweep limit for the remaining resistor has been reduced to 10kohm (the very soggy green trace). It’s not a very good way of making a useful bandpass filter with an accurately flat passband, as the plot shows.
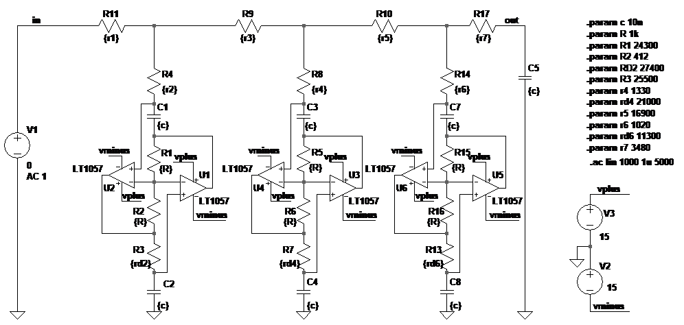
Guess what? It’s another job for the Million Monkeys! We can alter our circuit analysis equations to include the effect of this bias resistor, and set up out optimization to force both passband and stopbands to have the sort of shape we want. Admittedly, this is much easier if you already have some idea of what’s possible. The Monkeys can do the unexpected but not the impossible. However, some pretty swish pseudo-lowpass filters are possible. Figures 5 and 6 show the values and response of one I designed to pass a tiny 60kHz scattered return signal in an RFID-like product, in the presence of a +80dB stimulus at 120kHz.
Figure 5: Values for a 60 kHz pseudo-lowpass filter.
Figure 6: Response of the 60kHz pseudo-lowpass.
The sharp-eyed will notice that the ‘bias’ resistor is set to have the same value as the first filter network resistor. This Monkey-twist just reduced the number of different precision resistors in the design.
So, we can see that if you don’t want DC transmission, we can get some use out of the AC coupling forced on us by the bias resistor. But if we do need to pass DC accurately, we may still see some issues. The op-amps do now see a finite resistance to ground, but it can be quite high. The voltage drop caused when the amplifier input currents flow through these resistors is the main source of output offset voltage here (apart from any output buffering you use). Low input current amplifiers (at least at the non-inverting input of the upper amplifier) are needed in this application, if you’re concerned with DC performance. Are there any ways round this?
Well, the reason we’re in this predicament is that we started with a doubly-terminated LC filter, and got lumbered with the CS and CL when we carried out the transformation shown in “Bruton Charisma”. If we had started with a filter circuit that didn’t have an RS, we would have got a filter with no CS, and so it would be inherently DC-coupled to the input. We saw back in “Match Point” why we would not want to do this for filters where an accurately flat frequency response is required, over variation of component values. Anti-aliasing filters for sampled data acquisition systems doing frequency domain analysis are prime application examples. But some systems don’t need this ruler-flat frequency response. It turns out that when implementing ‘soggier’ filters such as Bessel and Butterworth, the amplitude sensitivity isn’t nearly such a problem, and we can profitably go back to the singly-terminated style of filter prototype. Our biasing problem goes away completely, saving a capacitor into the bargain (well, every little helps).
Figure 7 is an example of a 7th order singly-terminated filter designed for good DC performance. It has a Butterworth-like passband response. There are no high resistances to provoke input current errors, and only a single op-amp offset voltage in the forward path if the output is buffered. The offset voltages of the remaining amplifiers can’t affect the output offset voltage. This can be an extremely low offset filtering method.
Figure 7: A singly terminated filter: removing CS reduces bias current issues.
An extra Million Monkeys subtlety in this design: the two furthest stopband zeroes were made coincident to provide very strong attenuation around a particular frequency band (can you figure out why this might be useful?), as shown in figure 8:
Figure 8: Response of figure 7 (note it has 0 dB through gain).
In this type of lowpass filter, the input signal is applied right to the series resistor chain, and hence the op-amp inputs are all connected to the DC potential on the signal being filtered. This is generally not an issue in a regular system, but sometimes an application pops up where you need to filter some high frequency muck off an incoming voltage that’s outside the available supply voltage of your amplifiers – sometimes considerably so.
To address this, next time we’ll look at a nice simplification of the FDNR filter topology – again, with values contributed by the Monkeys – that not only allows you to lowpass-filter DC voltages outside your supply rails but also reduces the op-amp count. The underlying filter configuration may also already be familiar to many of you, just cropping up in a new context. Go on, admit it, you can’t wait, can you? Well, you’ll have to. In the meantime – it’s not only OK to be biased… it’s essential!









